
Gesucht - gefunden!

Schöck Isokorb® XT Typ Q-P

Schöck Isokorb® T Typ Q-P

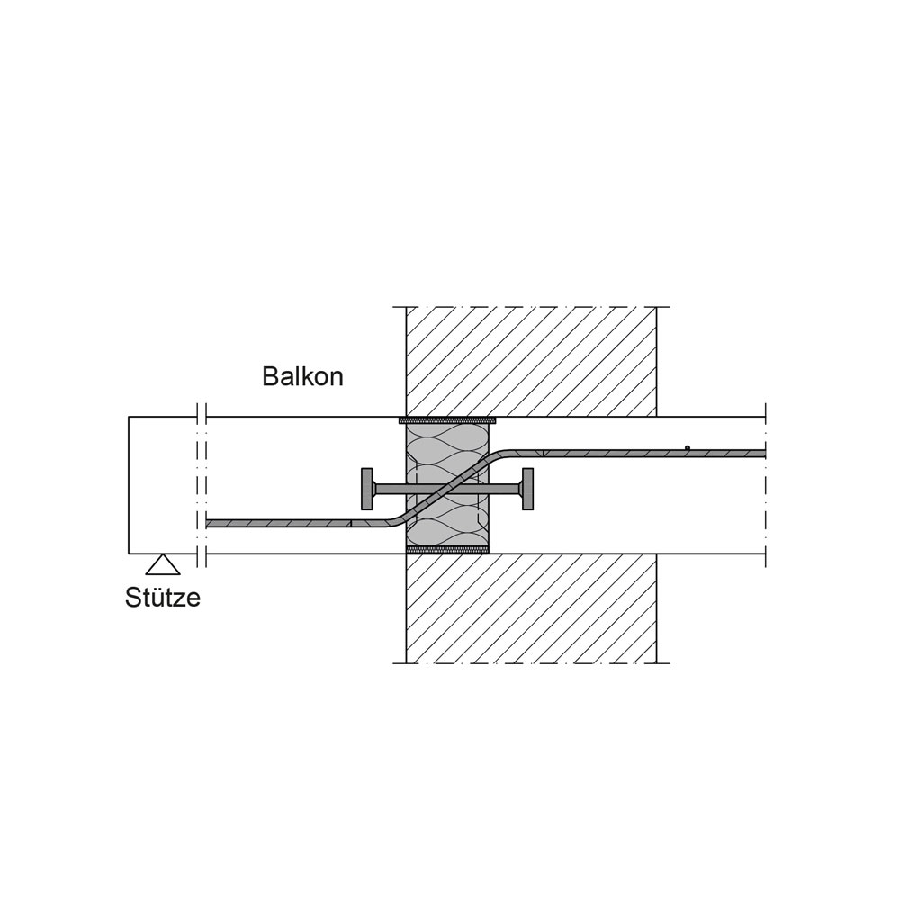
Einbauschnitt Schöck Isokorb® XT Typ Q-P
- Typ Q-P: Querkraftstab für positive Querkraft
- Typ Q-P-VV: Querkraftstab für positive und negative Querkraft
- Typ Q-PZ: zwängungsfrei ohne Drucklager, Querkraftstab für positive Querkraft
Schöck Isokorb® XT Typ Q-P
- Haupttragstufe: V1 bis V10, VV1 bis VV10
- Feuerwiderstandsklasse: R0, REI120
- Betondeckung der Querkraftstäbe: unten CV30, oben CV≥28 (abhängig von der Höhe der Querkraftstäbe)
- Dämmkörperdicke: 120 mm
- Höhe: 180-250 mm (abhängig von der gewählten Haupttragstufe und vom gewählten Brandschutz)
- Länge: 300-500 mm
Schöck Isokorb® T Typ Q-P
- Haupttragstufe: V1 bis V10, VV1 bis VV10
- Feuerwiderstandsklasse: R0, REI120
- Betondeckung der Querkraftstäbe: unten CV40, oben CV≥21 (abhängig von der Höhe der Querkraftstäbe)
- Dämmkörperdicke: 80 mm
- Höhe: 180-250 mm (abhängig von der gewählten Haupttragstufe und vom gewählten Brandschutz)
- Länge: 300-500 mm
Beispiel für Bestellbezeichnung:
XT Typ Q-P-V1-REI120-X120-H200-L300-5.0


